Starch Equipments

Coolsour Shell Tube and Pipe Water/Oil Cooled Evaporator, Heat Hxchanger

Shell Tube and Pipe Water/Oil Cooled Evaporator Features:1.Adopting superior external thread copper tube to ensure high heat exchange efficiency,compact volume and light weight.2.Gas tightness testing under air pressure 2.4Pa before delivery to ensu

Customized 5/8" Refrigerator Copper Tube Fin Coil Evaporator for Freezer, Refrigerator, Showcase

Customized 5/8" Refrigerator Copper Tube Fin Coil Evaporator for Freezer,Refrigerator,ShowcaseProduct description:1. Material:copper tube,aluminum fin and galvanized plate2. Aluminum fin: Hydrophilic or bare3. Copper pipe: diameter 12mm,16mm or other

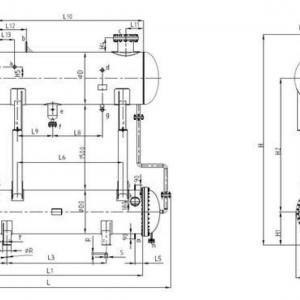
Siphon Type Evaporator, Shell-Tube Evaporator

Siphon EvaporatorThe high pressure liquid ammonia, after being throttled, flows into the gas-liquid separator. with the gravity, it flows through the liquid supply pipes into the shell of siphon evaporator and vaporizes to absorb the heat secondary r

Icesta 5t 5t/24hrs Tube Ice Machine Evaporators

ICESTA 5T 5t/24hrs Tube Ice Machine Evaporators Tube ice machineFeatured by high ice output, reliable performance and humanized design, our tube ice machine uses high quality 304/316L stainless steel to fabricate all surfaces that will come into con

Fin Tube Evaporator for Supermarket Show Case

Flygrow  manufactures copper tube -aluminum fin evaporator and condenser coils fin bare and hydrophobic  fin material range from 0.1mm to 0.19mm thickness using which from 5mm to 15.88mm  in both  smooth and internally Grooved  tubes. We have va

Aluminum Fin/Copper Tube Evaporator for Cold Room Storage

1.General Introduction -air cooler or evaporator for cold storage or cold roomWe EUROSTARS have 3 kinds of typical air cooler(evaporator) which been widely used for thedifferent refrigerated room or cold

Fin Tube Evaporator Coil

FEATURES• Aluminium tube 8.0 mm OD• Aluminum fins • Aluminum sheet • Serpentine pitch 22 mm• Width of finned pack: 140 - 555 mm• Height 76.1 - 438.1 mm• Fins pitch: 5 mm or multiple with a flexible fins distribution for specific defrost

Wedge Wire Welding Sieve Screen for Sand Filtering

Wedge Wire Welding Sieve ScreenSieve plate is easy to penetrate, having good wear-resisting and corrosion resistance. With Trapezoidal cross-section, even gap, stable welding quality, large opening area, long life time, high

Stainless Steel Flat Wedge Wire Screen

Flat Wedge Wire Panel, Wire wrapped panel, Johnson screen plate, profile wire slot panel, v wire slot panel, v wire flat screen, dewatering screen panel, support grids, stainless steel screen plate.sieve bend screen, arc screen plate, curted grids, c

Wedge Wire Pressure Curved Screen

Why chose JX Filtration------Professional manufacture of filter and filter element since 2004!------Superior quality products with reasonable price!------Best pre-sale and after-sale service!DescriptionWedge Wire Sieve BendsWedge wire

Wedge Wire Sieve Bend Screen

Sieve bend screenSieve plate is easy to penetrate, having good wear-resisting and corrosion resistance. With Trapezoidal cross-section, even gap, stable welding quality, large opening area, long life time, high strength an

Welded Wedge Wire Screens

Flat Wedge Wire Panel, Wire wrapped panel, Johnson screen plate, profile wire slot panel, v wire slot panel, v wire flat screen, dewatering screen panel, support grids, stainless steel screen plate., sieve bend screen, arc screen plate, curted grids,

316L Stainless Steel Sieve Bend Screen

Sieve bend screenSieve plate is easy to penetrate, having good wear-resisting and corrosion resistance. With Trapezoidal cross-section, even gap, stable welding quality, large opening area, long life time, high strength an

Vibrating Sieve Bend Screen

Sieve bend screenSieve plate is easy to penetrate, having good wear-resisting and corrosion resistance. With Trapezoidal cross-section, even gap, stable welding quality, large opening area, long life time, high strength an

Dsm Screen for Starch

Flat Wedge Wire Panel, Wire wrapped panel, Johnson screen plate, profile wire slot panel, v wire slot panel, v wire flat screen, dewatering screen panel, support grids, stainless steel screen plate., sieve bend screen, arc screen plate, curted grids,

Mining Sieve Bend Screen

Sieve bend screenSieve plate is easy to penetrate, having good wear-resisting and corrosion resistance. With Trapezoidal cross-section, even gap, stable welding quality, large opening area, long life time, high strength an

Mining Sieve Bend Bar Screen

Sieve bend screenSieve plate is easy to penetrate, having good wear-resisting and corrosion resistance. With Trapezoidal cross-section, even gap, stable welding quality, large opening area, 

Reinforced Wedge Wire Screens

Reinforced wedge wire screensDescriptionReinforced wedge wire screens are flat panels of pressure welded screens, forged in frames and prepared for assembly. Dynamically working segments to be built in vibrating sifters demand proper str

Starch Sieveing Bend Bar Screen

Sieve bend screenSieve plate is easy to penetrate, having good wear-resisting and corrosion resistance. With Trapezoidal cross-section, even gap, stable welding quality, large opening area, 

Starch Sieve Bend Screen

Sieve bend screenSieve plate is easy to penetrate, having good wear-resisting and corrosion resistance. With Trapezoidal cross-section, even gap, stable welding quality, large opening area, 

Wedge Wire Screen - Filtration for Oil Well and Quarry Screening

Wedge wire screen - filtration for oil well and quarry screeningWedge wire is known as profile wire screen, V- wire screen, and wedge wire screen. It is created by wrapping a V- shaped profile wire cylindrical around longitudinal p

Wedge Wire Sieve Screen

Sieve bend screenSieve plate is easy to penetrate, having good wear-resisting and corrosion resistance. With Trapezoidal cross-section, even gap, stable welding quality, large opening area, 

Sieve/Bend Wedge Wire Screen (Manufacture)

Sieve bend screenSieve plate is easy to penetrate, having good wear-resisting and corrosion resistance. With Trapezoidal cross-section, even gap, stable welding quality, large opening area, long life time, high strength an

Cross Flow Sieve Bend Screen

Sieve bend screenSieve plate is easy to penetrate, having good wear-resisting and corrosion resistance. With Trapezoidal cross-section, even gap, stable welding quality, large opening area, long life time, high strength an

Bend Screen Sieve Panels

 Bend Screen Sieve PanelsSieve plate is easy to penetrate, having good wear-resisting and corrosion resistance. With Trapezoidal cross-section, even gap, stable welding quality, large opening area, long life time, high str

Sieve Bend for Coal

Sieve Bend Features:Low Headroom - only 1.1 metres (44") tall for the 900 mm arc length unit.Energy Efficient - operates with no moving parts and with no energy input.Space Efficient - treats up to 122 litres per second per square metre of floor spac

Wedge Wire Sieve Bend

Wedge wire sieve bendDescriptionSimple design, easy to operate, low noise level as well as insignificant maintenance and purchase costs are the characteristics of wedge wire sieve bend arch screens (based on pressure, forced or

V Profile Wedge Wire Basket Strainers

V Profile Wedge Wire Basket StrainersWedge wire screen with V profile is engineered in various forms of filtering elements or cartridges in flow control. The mostly found shapes in uses are stainless steel wedge wire panels, cylinders&co

Foil Winding Machine for Transformers

Purpose of the productFoil winding machine, also called foil- type machine, is a special device to wind foil coils of the transformer.                      Welding apparatus                                          

Saw Welding Machine (SW2500)

Features:Compact metal enclosure, suitable for working in poor circumstances, anti-fluctuation of mains voltage design(±20%)Simple to operate, easy to adjust, with control function displayAdopts constant current charge circuit, fast charge and energ

Mpyx Germ Cyclone for Separating Germ

MPYX Germ Cyclone for Separating GermBrief IntroductionGerm Cyclone is the ideal equipment to replace the traditional germ Floatation Tank, which greatly increases germ recovery rate. The function of this equipment is to separate germ by specially de

Corn Starch Processing Germ Cyclone with CE Approved

Corn starch processing germ cyclone with CE ApprovedBrief IntroductionGerm Cyclone is the ideal equipment to replace the traditional germ Floatation Tank, which greatly increases germ recovery rate. The function of this equipment is to s

Myande Corn Germ Cyclone Machine with ISO Approved

Myande Corn Germ Cyclone Machine with ISO ApprovedBrief IntroductionGerm Cyclone is the ideal equipment to replace the traditional germ Floatation Tank, which greatly increases germ recovery rate. The function of this equipment is to separate germ by

Corn Germ Cyclone Equipment with CE Approved

Corn Germ Cyclone Equipment with CE ApprovedBrief IntroductionGerm Cyclone is the ideal equipment to replace the traditional germ Floatation Tank, which greatly increases germ recovery rate. The function of this equipment is to separate germ by speci

Myande High Quality Germ Hydrocyclone with CE Approved

Myande high quality germ hydrocyclone with CE ApprovedBrief IntroductionGerm Cyclone is the ideal equipment to replace the traditional germ Floatation Tank, which greatly increases germ recovery rate. The function of this equipment is to

China Germ Hydrocyclone Machine with ISO Approved

China germ hydrocyclone machine with ISO ApprovedBrief IntroductionGerm Cyclone is the ideal equipment to replace the traditional germ Floatation Tank, which greatly increases germ recovery rate. The function of this equipment is to sepa

China Germ Cyclone Mazie Starch Processing Corn Germ Separation Machine

China Germ Cyclone Mazie Starch Processing Corn Germ Separation Machine Features of starch making machine1. Germ cyclone is mainly used to separate germ by rotation flow under certain pressure following coarse crushing .2. This equipment is static

Corn Germ Cyclone Separating Germ High Output Corn Starch Machine

Corn Germ Cyclone Separating Germ High Output Corn Starch Machine Features of starch making machineGerm cyclone is mainly used to separate germ by rotation flow under certain pressure following coarse crushing . This equipment is static , simple str

Mgjl50 Screw Press Machine for Dewatering

MGJL50 Screw Press Machine for DewateringBrief IntroductionScrew Press Machine finds wide application in chemical, pharmaceutical, food, and grain &starch processing industries. It's main functions in corn starch processing include dewatering materia

Separating Germ Machine Germ Cyclone for Corn Starch Making Plant

Separating Germ Machine Germ Cyclone For Corn Starch Making Plant Features of starch making machine1. Germ cyclone is mainly used to separate germ by rotation flow under certain pressure following coarse crushing .2. This equipment is static , simp

Corn Starch & Gluten & Germ Oil & Feed Production Line

corn starch & gluten & germ oil & feed production lineFeed particle machine:Suitable for feed kinds: Chicken, duck, Pig, Sheep, Cattle, Fish, shrimp, Horse, Goose, donkey etc. 

Automatic Wheat Corn Maize Meal Grinding Grits Milling Flour Mill

15T/D Maize Milling Machine15T/D maize milling mchinery is our main maize products. We can supply 5T to 500t per day maize milling machine. We designed the 15t/d maize milling machine speciallized for Africa maize, makes our machines can produce dif

Sn Horizontal Iron Roller Rice Whitener

SN Horizontal Iron Roller Rice WhitenerThe Rice Whitener is used for whitening of brown rice to white rice by removing the bran layer and the germ. The bran layer is removed from the kernel by applying friction to the grain surface either by rubbing

Horizontal Fluidizing Dryer for Pharmaceutical Industry

Company introduction :Jiangsu Xingxing Drying Equipment Co., LtdDESCRIPTIONFluidized drying, also known as fluidized bed, consists of air filter, heater, fluidized bed, cyclone separator, bag-type dust collector, high-pressure centrifugal fan and ope

for Africa Maize 20t/D Maize Milling Machine

20T/D maize milling machine is our main products.Maize flow into the elevator from the rough maize bin and upgrade to high efficiency vibrating sieve. Use the dimension difference between maize and impurity to get rid of the big and small impurity in

Corn Starch Processing Line Maize Starch Processing Line for Sale

corn starch processing line production line plant making machine machinery Corn Ingredients: corn moisture 12-16%, starch 70-72%, protein 8-11% , fat 4-6%, ash 1.2 -1.6% , fiber 5-7%.Corn can be isolated from 4 kinds of products:Process flow :1.

Hot Sale Corn/Maize Starch Making Machines with Good Quality

Corn Starch Processing MachinesWe provide corn starch production line withCapacity of 50-10000ton per day. Steps are as following:1) Purifying: Before going to storage bin,Pre-purifying is done to eliminate big and small

Corn Wet Milling with 3D Design

Corn Wet Milling with 3D design 1.Process Designa)Corn Steeping Section   Corn Steeping Section generally adopts semi continuous counter current steeping process with 8-12 tanks. Steeping time would be last about 48 to 56 hours according to  the

Grain Processing Corn Maize Wheat Semolina Posho Flour Milling Mill Price

30T/D Maize Milling Machine30T/D maize milling mchinery adopts 6 roller mills(6F2250), 2 double bin sifter(FSFJ 83*2*12).This line can produce super fine white maize flour for Africa market. We can supply 5T to 500t per day maize milling machine. We

China Selling Small Vegetable Onion Skin Peeler Peeling Machine

High quality Small vegetable onion skin peeler peeling machineStainless steel onion peeling machine peeler machineApplication:Onion peeling machine for peeling the onion for eating and food. This machine should be equipped with an air co