
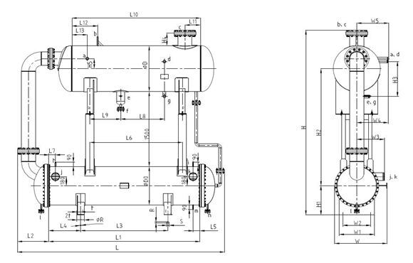
Siphon Evaporator
The high pressure liquid ammonia, after being throttled, flows into the gas-liquid separator. with the gravity, it flows through the liquid supply pipes into the shell of siphon evaporator and vaporizes to absorb the heat secondary refrigerant (water or salt water) in the shell to cool the water, salt water and other media. After absorbing the heat, the refrigerant in the shell turms into vapor-liquid, which return to the separator of liquid and gas through gas return pipes. I the separator, the liquid is separator and flows into siphon evaporation, then the vapor is sucked back into the compressor.
| kW | m2 | MPa | kg | |
| ZFHY30 | 150 | 28 | ≤0.1 | 1637 |
| ZFHY60 | 265 | 50 | 2005 | |
| ZFHY90 | 425 | 80 | 3221 | |
| ZFH120 | 635 | 120 | 4150 | |
| ZFHY150 | 750 | 140 | 5075 | |
| ZFHY200 | 1000 | 188 | 6586 | |
| ZFHY250 | 1220 | 230 | 8285 | |
| ZFHY300 | 1470 | 277 | 10021 | |
| ZFHY350 | 1855 | 350 | 12475 | |
| ZFHY400 | 2120 | 400 | 13923 |



China