2015 GK800M Starch Centrifugal Separator
Description of 2015 GK800M Starch Centrifugal Separator :
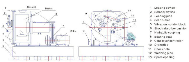
When the drum driven the motor runs at full speed, the feed valve automatically opens up and the suspension liquid goes through the feed pipe into the drum, where the liquid phase passes through the filter gauze and the screen openings on the drum and is kicked off by the centrifugal force and flows out of the tangential discharging outlet, while the solid phase is retained inside the drum. When the set time is reached, the feeding stops. After a given period of time of separation and dehydration, the washing valve acts and the cleaning liquid passes through the washing pipe into the drum to wash the filter cake. Upon the completion of washing, further separation is conducted till the required degree of dryness of the cake is reached. Then discharging starts: the scraper holder rotates enabling the scraper to cut into the cake layer and the cake is scraped off and discharged from the material hopper.
Corn starch peeler centrifuge GKH 1600 GKH Peeler Discharge Chemical Centrifuge for Gypsum in Salt Processing GKH siphon type peeler centrifuge GKH Peeler Discharge Horizontal Screen Centrifuge with Siphon Device
GKH Solid Liquid Separation Peeler Centrifuge for Starch
Design Features
♦PLC control for long-distance monitoring; touch-screen operation and human-machine dialogue for easy maintenance and operation.
♦ Action elements with automatic electric-pneumatic/hydraulic control.
♦ Driving with hydraulic coupling (GK1250 and bigger) for stable start-up and simple control, effectively protecting the motor from overload-related damage. Optional inverter start-up for variable speed control.
♦ Floating platform with rubber vibration-absorbing foundation; Liquid -damping vibration absorber is also available with excellent effects of absorbing effects, ensures stable operation of the centrifuge and reducing hazards imposed to the equipment and environment from the centrifuge vibration.
♦ Two discharging modes available: chute discharging featuring simple construction; and discharging through scroll conveyor and scraper featuring high catching rate of solid cake and effectively prevent blocking. GKH Siphon Peeler Centrifuge for Corn Starch Processing 2015 NEW TYPE GKH model Horizontal Siphon Peeler Centrifuge for dewatering cassava starch GKH Horizontal Siphon Peeler Starch Centrifuge GK(F)/GKH/GKC Series Automatic Horizontal Siphon Scraper Centrifuge GKH Fine Chemical Powder Separation Centrifuge With Siphon Device For Amylum Separation GKH 2015 NEW TYPE GKH model Horizontal Siphon Peeler Centrifuge for dewatering cassava starch GKH siphon Peeler Centrifuges GKH Siphon Peeler Centrifuge for Starch Processsing,centrifuge

Applications of 2015 GK800M Starch Centrifugal Separator
Model GK centrifuge is the filter equipment characterized with continuous running, scraper discharging and intermittent operation, applicable to the separation of the suspension liquid containing medium-sized granules or fine granules (0.01mm~5mm). It can also be used for the separating of the suspension liquid containing short fibers (with the fiber length less than 4mm), with the concentration of the suspension liquid being 10%~60%. With hydraulic and electric joint control mode adopted, this series of centrifuges are capable of high degree of automization, with such working processes as feeding, dehydrating, washing, discharging, etc. being operated manually or by means of PLC for full automatic control. The horizontal scraper discharging centrifuge has good adaptability to the material to be processed and thus can be widely used in such industrial fields as chemical, light industry, food, pharmacy, etc. for the separating of over 100 kinds of substances including ammonia sulphate, sodium sulphate, anthracene, boric acid, starch, pesticide, synthetic resin, sodium cyanide, potassium chloride, sodium bicarbonate, etc.
Techincal parameter of 2015 GK800M Starch Centrifugal Separator

GK(F)/GKH/GKC Series Automatic Horizontal Siphon Scraper Centrifuge --- Properties and Uses: |
GK(F)/GKC Series automatic horizontal scraper discharge centrifuge is a solid-liquid separation equipment which is continuous operation and intermittent discharging. |
| --- Working principle: |
GK(F)/GKC Working principle |
More details of 2015 GK800M Starch Centrifugal Separator


chemical centrifuge
starch separator peeler centrifuge automatic peeler centrifuge automatic centrifuge horizontal centrifuge

automatic peeler centrifuge

Peony Centrifuge has been dedicated to producing machinery and equipments and carrying out facility construction, pursuing the best quality and producing the best product at the same time. We are committed to reward you with a better quality in return for our interest in and faith toward. We will do our utmost for one more stepping forward, based on our infinite services and trust to customers.
starch centrifuge pusher centrifuge GK Horizontal Continuous automatic batch horizontal centrifuge Peeler Centrifuge horizontal centrifugal horizontal continuous centrifuge Horizontal Centrifugal machine automatic peeler centrifuge GK Peeler Centrifuge for Solid-Liquid Separation Device salt filter GK Peeler Centrifuges automatic peeler centrifuge chemical chemical filter centrifuge automatic peeler centrifuge
China