
GOJE Advanced technology MVR multiple effect falling film evaporator for sale
1.Mechanical vapouR recompression (MVR) and evaporation
This device has won national new and high-tech product award and also passed the accreditation for being the first set of major equipment in the province and the city.
Working pinciples: Compress secondary steam by using steam centrifugal compress or other steam com pression device to make sure its physical properties meet with the requirements for heating steam; evaporation that uses it as heating steam only requires fresh steam supply when the machine is started. After entering normal operation, there is no need to supply new steam and no (or very little) secondary steam needs condensation. Therefore MVR evaporation substantially cuts down steam demand but will consume more power.
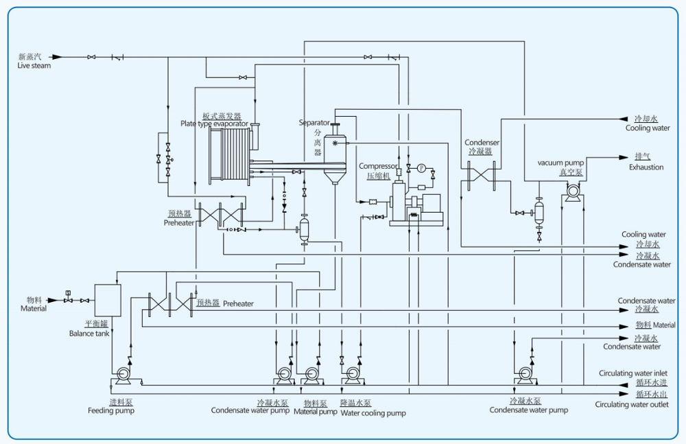
2.Schematic digaram
3.Advantages
Compare to shell-tube evaporator,plate type evaporator has following advantages:
1.High efficiency
2.Small and coverage and compact structure
3.Sort retention of the material
4.low liquid holdup
5.Easy installation and maintenance
6.Easy inspection
7.Low investment cost for equipment
You can click here for more products.


Jiangsu S-JE technology Co.,Ltd. is a newly established sub-company of Nanjing Gaojie Light industrial Equipment Co.Ltd. and has an export license. Jiangsu S-JE technology Co.,Ltd. specializes in supplying GSA-F series plate heat exchanger and imported plate; the largest domestic caliber plate condenser at home; semi-welded liquid ammonia evaporator; foreign imports of film and lifting film, falling film evaporator and plate evaporation system engineering services.Our company has experience in exporting heat exchange equipment and evaporating equipment to global. Our main markets are North America, Asia, Middle East and Africa.Now we are also developing new products to expand more market. We have our own designer and R&D group to develop new products and we can also creat new products in accordance with customers’requirements.Our company warmly welcomes all customers to visit our company. We hope to establish long-term and close cooperative relationships with our customers in order to achieve win-win benefits.
Our advantage
First: We have the most complete models plate heat exchanger at home and broad.
Second: We have heat exchanger sub-detachable, semi-welding, full welding, wide flow and irregular flow channel
Three: We have the entire system of integrated evaporation and design strength, the form of the evaporator at home and abroad ,the most full of film, falling film, lifting film series and a dozen different specifications of the model. Separate and semi-welded evaporator plates, equivalent to imported plates.
Four: We have the overall process design capabilities for the biological fermentation industry..
Five: We have heat exchanger and evaporator mold development strength.











China