
GOJE ODM & OEM multi-effect plate evaporator for heating or cooling

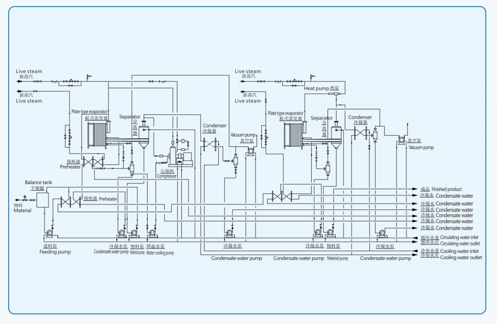
1.MVR and TVR joint evaporation
For materials with the concentration of higher than 50%, the MVR-TVR joint evaporation is recommended, which means evaporation and concentration are done in following two steps step 1) MVR evaporation, which concentrates materials to approximately 50%; and step 2) TVR evaporation, which further concentrates 50% of the intermediary materials until a thick concentration of 70% is achieved.
2.Schematic digaram

You can click here for more products.
3.Plate Quality
Fluid Media | |
Stainless steel AISI304,316 | Clean water,stream water,cooking oil,and mineral oil |
Titanium | Sea water,hyrochoric acid,and phosphoric acid |
Hastelloy alloy | Concentrated sulphuric acid,hydrochloric acid,phosphoric acid |
Nickel | High-temperature and highly concentrated caustic soda |
Molybdenum | Dilute sulphuric acid,dilute saline water solution,inorganic water solution |
4.Gasket Quality
NBR | EPDM | Fluororubber | Silicone rubber | |
Fluid Media | Water,sea water.mineral | Hot water,steam, | Acid and alkali fluids | Food,oil fat ethyl alcohol |
Application Temperature | -15~120℃ | -25~140℃ | -5~200℃ | -65~180℃ |
Feature | Easier to replace than the traditional gasket,high pressure, high temperature, longer life, |








China