First. Feature of GT Roller Drum Dryer for Drying Cereals
◆ High efficiency. Almost all of the heat could be used on drying, drying efficiency could reach 80-90%.
◆ Widely used. The dryer is available for drying the raw material with large moisture content range. We could get the best drying
effect by adjust feeding rate, thickness of pavement, drum rotating speed, feeding form etc.
◆ Short retention time. Drying time only remains 10-15 seconds, it is suitable for heat sensitive material
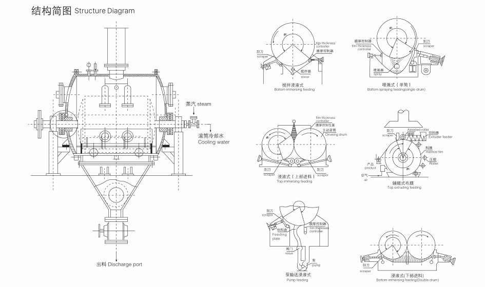
Second. Principle of GT Roller Drum Dryer for Drying Cereals
1 Drying efficiency could arrives 80%-90%. Heat transfer coefficient K is 100-300Kcai/h.m2℃. Evaporation capacity is 10-30Kcai/h.m2.
2 The dryer support continuous operation and batch operation, support vacuum drying for thermal sensitive material and normal drying. Support heating, evaporating and cooling.
3 Thermal oil, steam, hot water and chilling fluid are available to be used as heating/cooling medium
4 Special structure of paddle which has large heating area.
5 Structure of dryer is very compact, almost of the dryer could be transported by normal container.



Introduction of Company


Company Clients


Company Staff



Company Honor

Certificates & Patents




China