The machine is mainly used for the separation of the suspension containing fine/ medium particles, and the solid particles of granular, crystal or fiber, especially for the separation of material whose viscosity is high, with fine fineness, it’s poisonous or inflammable. It is widely used in the industries of chemical, pharmaceutical, food, light industry and environment protection, etc.


According to GMP standard and environmental protection sanitary requirement, PGZ plate type centrifuge is designed based on the traditional 3-feet bottom discharging centrifuge, and is a new bottom discharging centrifuge, in which the traditional suspending legs are cancelled, and the flat balancing weight and high-viscosity damp vibration isolator is equipped, and there is no foundation’s installation. Frequency convertor controls the motor, which drives the belt wheel to transfer the power to the bowl through the triangle belt, and keep the bowl rotating around itself axis by high speed to form centrifugal force field. Material from the top feeing pipe is forced to have the separation on the bowl wall evenly by the centrifugal force. Through the solid phase, the filter screen gap and the holes in the bowl, the liquid phase is splashed into the shell space, and then be discharged from the outlet at the bottom, while the solid phase will be remained in the bowl. After the dewatering, the bowl speed is reduced, and the solid material will be taken away by the scraper, and be discharged through the bowl’s bottom outlet.


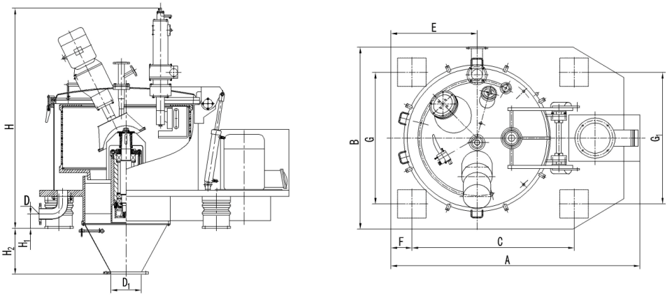
1.Side direction feeding of feeding pipe

2.Oblique feeding device

| Technical Parameters | |||||
| Model | PGZ800 | PGZ1000 | PGZ1250 | PGZ1600 | |
| | Weight/Kg | 800 | 1000 | 1250 | 1600 |
| Effective height/mm | 400 | 525 | 630 | 800 | |
| Filtration area/㎡ | 1 | 1.65 | 2.47 | 4.02 | |
| Effective volume/L | 100 | 200 | 398 | 820 | |
| Max. loading/Kg | 130 | 240 | 500 | 1000 | |
| Rotating speed r/min | 1500 | 1200 | 1000 | 800 | |
| Max. Separating factor | 1007 | 805 | 700 | 572 | |
| Motor power/Kw | 7.5 | 15 | 18.5 | 37 | |
| Dimension(L×W×H)/mm | 1700×1400×1330 | 1950×1500×2040 | 2460×1800×2200 | 2900×2200×2580 | |
| Weight/Kg | 2000 | 2500 | 3820 | 10000 |
There will no further notification if the appearance or parameters of our products are modified. Thanks.
Outline and installation size

| Model | PGZ800 | PGZ1000 | PGZ1250 | PGZ1600 |
| A | 1700 | 1950 | 2400 | 3100 |
| B | 1400 | 1500 | 1800 | 2200 |
| C | 1230 | 1390 | 1600 | 2000 |
| E | 700 | 750 | 850 | 1125 |
| F | 170 | 200 | 200 | 300 |
| G | 1000 | 1010 | 1300 | 1700 |
| D | 80 | 100 | 100 | 150 |
| H | 2350 | 2800 | 2730 | 3300 |
| H1 | 730 | 800 | 900 | 1000 |


Sino Pharmaceutical Equipment Development (Liaoyang) Co., Ltd. (SINOPED) is a professional manufacturer and supplier of pharmaceutical and chemical machinery and equipment in China. We belong to SINOPEC International Group.
We have a well-experienced team to manufacture pharmaceutical machinery and equipments and a professional design institute. With rich experiences in pharmaceutical machinery and equipment field and numbers of professional engineers, we have designed and developed many types of machinery and equipments including clean room project, soft-gel production line, glass-lined reactor, fermentor, centrifuge, granulator, mixer, dryers, pulverizer, tablet press, soft and hard blister packing machine, capsule filling machines, cartoner and rollers, etc.
Due to our good credit and service, , we have made great achievements in the past years. We have established long-term business relations with many customers and some of our overseas customers have appointed us to be their purchase agency in China. Our products are exported to many countries & areas, such as Korea, India, Indonesia, Pakistan, Thailand, Vietnam, Iran, Japan, Denmark, Romania, Bulgaria, Russia, South Africa, Nigeria, the USA, Australia, Canada, Argentina and Chile. Besides machinery and equipment, we also supply production lines and turn key projects.
In SINOPED you can get your desired goods with the best prices and good quality. Welcome your enquiries from all over the world.







One-year warranty period for whole machine except of tubes and human factors etc, and 12-month of after-sale service from the date when you receive machine or 12 months when installation finished;
Consultant services for whole machine life, and 24 hours technical support by email;
UPS, English software, user manual and the installation & debugging by our experienced technicians.
1. Can your machine meet our need well?
We will supply you a proposal as to your specific requirement, and each machine is customized to satisfy customer’s need well.
2. Are you a factory or a trading company?
We are the manufacturer, and have been in industry for more than ten years.
3. What's your payment way?
T/T by our bank account directly, or by Alibaba’s trade assurance service, or by the West Union, or in cash.
4. How can you ensure the machine’s quality after we put the order?
Before the delivery, we will send you machine’s pictures and videos, or you can come to us to have the quality checking by yourself, or by the third party inspection organization contacted by your side.
5. We are afraid you won't deliver us the machine after we pay you the money.
Please note our above business license and certificates. And if you don't trust us, you can use Alibaba’s trade assurance service or by LC.
6. Why choose your company?
We have been engaged in the manufacturing of various packing machines professionally over 10 years, and we can provide better after-sales service.





China