Brief Introduction
SPF stacked pressure filter is a kind of high-efficiency, energy-saving and intelligent solid-liquid separation equipment. It makes full use of the slurry feeding pump pressure, slurry properties and rubber diaphragm extrusion pressure, and use filter cloth as filter medium to separate the solid and liquid from slurry.

Plate Group Structure


Operating Principle


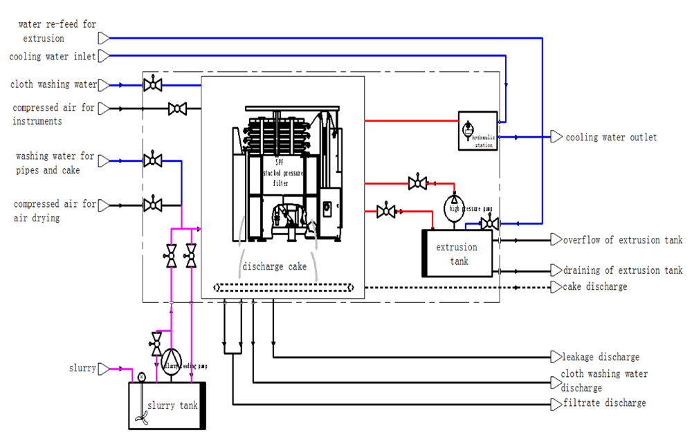
1, Filtering: when the plates group closed, pump the slurry to filter, use distributed hose to feeding slurry to each slurry chamber, and filtrate pass through the cloth to filtrate frame and discharge out, the solid formed a cake on cloth surface.
2, Extrusion: high pressure water fed into upper chamber of rubber diaphragm, make the diaphragm expand and extruding the cake and the liquid will be extruding out from cake.



3, Cake washing: washing water feeding into slurry chamber through distributed hose cover on the cake completely,under the pressure, the washing water pass through the cake and cloth to discharge out.
4, Air drying: compressed air through distributed hose feeding into slurry chamber and pressing rubber diaphragm, make the high-pressure water in the rubber diaphragm to discharge out, and the compressed air pass through cake and take liquid out to decrease the cake moisture to the lowest level.
5, Cake discharging: when finished the air-drying process, open the plates group, drive system makes the cloth running and the cake discharge out on the two sides of filter at the same time.
Note: Please according to the real using condition to adjust the times of extrusion and air- drying process.
Equipment Series



SPFⅡ
SPFⅢ
SPFⅣ
Main Features
1. use stacked structure for the plates, use auxiliary guide device to make the operation become more stable.
2. integrate filtering, extrusion, washing, air-drying, cake discharging and cloth washing together.
3. the extrusion pressure up to 1.6MPa, it widely used in the field which has different requirements for cake moisture.
4. use hydraulic drive control system, make the operation stable and with low power consumption.
5. integrate PLC, HMI and instruments control system etc. intelligent together, it makes filter more efficient and easier.
6. use high pressure water cleaning device to make the cloth washing more effective.
7. design with circular chamber, the structure more rational, the efficiency more prominent.
Using Site



Remark: the equipment outline dimension is basic size, but not details size, so this size just for reference. Different material of plate, the filter will have different height and weight. Auxiliary equipment data just for reference, it will change by filter performance in different slurry.

Remark: the equipment outline dimension is basic size, but not details size, so this size just for reference. Different material of plate, the filter will have different height and weight. Auxiliary equipment data just for reference, it will change by filter performance in different slurry.

Remark: the equipment outline dimension is basic size, but not details size, so this size just for reference. Different material of plate, the filter will have different height and weight. Auxiliary equipment data just for reference, it will change by filter performance in different slurry.

Remark: the equipment outline dimension is basic size, but not details size, so this size just for reference. Different material of plate, the filter will have different height and weight. Auxiliary equipment data just for reference, it will change by filter performance in different slurry.
Application Fields
It is widely used in urban sewage, textile printing and dyeing, electroplate, papermaking, leather, brewing, food processing, coal washing, petrochemical industry, chemistry, metallurgy, mineral separation, pharmacy, ceramic industry sludge dewatering and so on, also use in industry production solid-liquid separation or liquid leaching process.



Hydraulic System
Name: hydraulic system
Brand: Chinese brand or point brand
Original:
Use domestic top brand or client point brand to ensure system operaton stable and reach equipment use requirements.
Cooperate with well-know manufacturer of auxilary equipment to ensure the whole sytem quality.
Control Cabinet
Name: Electric control panel
Brand: HESHENG
Original: China
Use international and domestic well-know brand components, such as: SIEMENS PLC, HMI, SCHNEIDER low-voltage electrical components etc.
It reach automatical control, and use communication interface to connect with host computer or DCS system to reach remote control.


Guide Roller
Name: guide roller of plate
Brand: Hesheng
Original: China
Use self-developed plastic alloy roller, in ensure the strength condition, it can reach different fields requriements.
Outboard bering, easy for adjust and maintenance, reliable for operation.
High Pressure Cloth Washing Device
Name: high pressure cloth washing device
Brand: Hesheng
Original: China
High pressure water washing cloth automatically to ensure the cloth recycle and prolong the cloth life time, reach higher filtering efficiency, and save water consumption of the equipment.


Rubber Daphragm & Sealing Strip
Name: Rubber diaphragm and sealing strip
Brand: Hesheng
Original: China
Well-known manufacturer in rubber industry, equipped with professional manufacture machine. They can according to the real using condition to prepare the raw material for these parts, so as to ensure the goods.


Pre-Sales Service
* Inquiry and consulting support.
* Sample testing support.
* View our Factory.
After-Sales Service
* Training how to instal the machine, training how to use the machine.
* Engineers available to service machinery overseas.

| Packaging | |
| Size | use 20" & 40" GP, HQ,OT containers |
| Weight | 2 T ~ 70T |
| Packaging Details | The normal package is wooden box(Size: L*W*H). If export to european countries,the wooden box will be fumigated.If container is too tigher,we will use pe film for packing or pack it according to customers special request. |



DU horizontal vacuum belt filter
91.8% Response Rate
SSY Horizontal Belt Press Filter
91.8% Response Rate
CF Ceramic Vacuum Disc Filter
91.8% Response Rate
China