forced circulation automatic MVR VAPOR COMPRESSOR EVAPORATOR for effluent

Our company is the largest manufacturer of alcohol, fuel ethanol and DDGS high protein feed complete equipment in China.
Our company can design and manufacture class-I, class-Ⅱ, class-Ⅲ pressure vessel.
Our company is capable to design, manufacture, install and adjust 3000t-500000t alcohol complete equipment in the turnkey project .



MVR Process Exposition
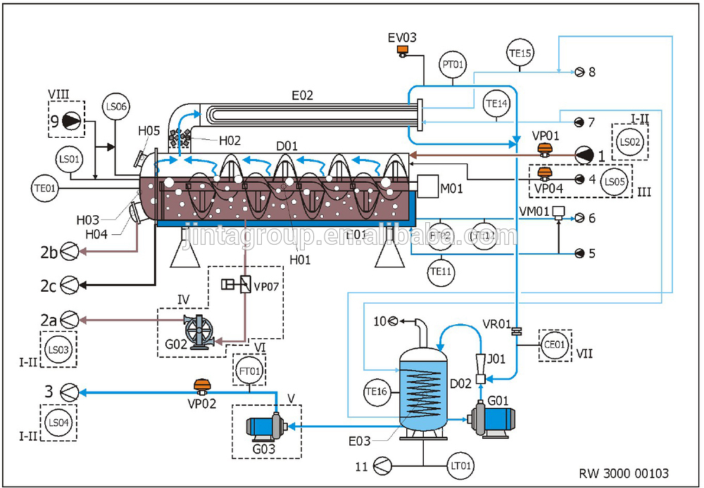
1 Process liquids
The liquid to be treated, before entering the boiling chamber D01 (where the vacuum conditions of 70 kPa and 90°C are maintained), is preheated in the heat exchanger E03 by the concentrate (if the optional system V is installed) and in E02 by the discharging distillate. Pump G02 works continuously recirculating the liquid to be treated in order to keep clean the plate exchanger E02 and feeding the boiler through opening of valve VP01, controlled by the level sensor LS01. The filtration device F02 (if the optional system IV is installed) allows to separate possible coarse materials present in the liquid entering the machine (see par.10). The concentrate is recirculated by the pump G01 which pumps it through the primary heat exchanger E01 (tube side). Within E01 the liquid receives from the condensing vapour the heat necessary to boil; once heated, the concentrate is sent again to the boiling chamber D01. As a result of the vacuum, a portion of the liquid immediately boils (flash evaporation). The produced vapour passes through the drops separator (H04) in order to eliminate suspended liquid drops and improve the quality of the output distillate.
The blower K01 compresses the vapour and sends it to the heat exchanger E01 (shell side) where it releases the latent heat to the process liquid. The condensed vapour is collected in the tank D02 and then it is discharged by the pump G03 after a heat exchange in E02. The sensor CE01 measures the conductivity of the distillate: high conductivity means high entrainment of liquid in the boiling chamber and the machine shows an alarm to the operator.
The temperature sensor TE02 measures the temperature of the distillate in D02. The flow sensor FT01 measures the amount of distillate discharged. The exchanger E01 can be supplied with "floating head" in order to allow an easier cleaning procedure, by means of removal of the tube nest, if the machine treats fouling vapours.
The concentrate is discharged automatically through the valve VP05. Flow sensor FT02 measures the amount of concentrate discharged.
The density meter DT01 (if the optional system I is installed) allows to discharge the concentrate once it reaches a density value set by the user.
Solutions & Technologies
During the startup of the machine the liquid in the boiler and the distillate in D02 are heated by the resistors ER01- ER02- ER03-ER05-ER06. The incondensable gases are discharged through a dedicated chimney (outlet 5, see Figure 1). Dry cooler K03 (if the optional system VI is installed) allows to condense possible residual vapours exiting through the vent.
2 Mechanical vapour recompression
The produced vapour in the boiling chamber D01 is sucked into the positive displacement blower K01 that, by means of the compression, raises the temperature; afterwards the vapour passes through the shell of the exchanger E01 where it condenses and releases the latent heat to the recirculated liquid of the boiling chamber. Valve VP10, during startup phase, is open in order to allow a gradual startup of the blower K01.
Fan K02 allows to keep controlled the temperature of the oil in the blower in order to extend its service life in case of operation in thermally hard conditions.
3 Thermal recovery systems
Thermal recovery is realised through the exchangers E03 (if the optional system V is installed) and E02. The liquid to be treated crosses both of them and warms up before entering the boiling chamber. Temperature sensor TE08 measures the temperature of the liquid to be treated entering the boiler after the recovery exchangers.
The concentrate passes through the tube and shell heat exchanger E03 and cools down, before its discharging, as a consequence of the heat exchange with the liquid to be treated. Valve VP03 (if the optional system V is installed) allows the flow of the liquid to be treated through exchanger E03. The distillate enters the plate heat exchanger E02 and cools down, before its discharging, as a consequence of the heat exchange with the liquid to be treated.
Temperature sensor TE07 measures the temperature of the distillate editing the machine.
4 Auxiliary liquids
Antifoam, supplied by the opening of the timed valve VP06. If optional III is present, antifoam is metered automatically.
The foam sensor SS01 detects the presence of foam in D01 and commands the opening of valve VP06.
Tap water, for washing of components inside the boiling chamber D01, through timed valves VP07 (sensor LS01 washing)
and VP12 (foam sensor SS01 washing, if the optional system III is installed).
Additive metering with pump G07 and pneumatic valve if the optional system II is installed.
Bactericide metering in the delivery pipeline of distillate discharge pump, if the optional system AM BT D is installed.
MVR Evaporator Process Flow Chart

Comparison Between MVR and 4-effect Evaporator
Item/Type | 4-effect Evaporator | MVR |
Consumption | Energy-saving, vaporizing 1 ton water consumes 0.3 ton fresh steam. | More energy-saving,vaporizing 1 ton water consumes 30kw*h electricity |
Energy | Fresh steam | Industrial electricity |
Utilities | High | Low |
Durability | Longer process duration with bigger temperature variance affects durability. | Shorter process duration with low temperature improves durability. |
Output Type | Continuous/Batch | Continuous/Batch |




Application:
The machine can widely used in the concentration of the glucose, starch sugar, oligose, maltose, sorbierite, milk, juice, vitamin C, maltodextrin and other aqueous solution. And also widely used in liquid waste disposal such as industry field of gourmet powder, alcohol and fishmeal.
Its outstanding advantage lies in the point that it can fulfill the continuous operation and low temperature evaporation. It saves energy and time with low loss and maximize remain the material's color, fragrance and favor. It can satisfy the continuous production requirements. This product is mainly used in the industries such as food, Chinese and Western pharmaceutical, biochemical pharmaceutical, further processing of agricultural and auxiliary products, health drinks, juice, fine chemical, light industry, PRO-environment etc.
The SJM evaporator series (three effect falling film evaporator) allowed arranging special process flow according to different feature of material. It can also designed according to customer's special requirement.
Characteristic:
A. Evaporation capacity: From 500Kg/h to 80T/h
B. Material of contact: According to detailed raw material.
C. The equipment composed of one-effect, two-effect, three-effect heater, one-effect, two-effect, three-effect separator, preheater, composite condenser, hot press pump, vacuum pump, product pump, surge tank, electric cabinet, worktable and all pipelines and valves.
D. Low steam consumption, 1kg steam evaporate 3.5kg water. Heat evenly and high heat transfer efficiency;
E. Low evaporate temperature. Partial of indirect steam re-inhaled into one-effect heater by jet-type hot press pump can make full use of the heat and evaporate temperature are relatively lower.
F. The process is under vacuum situation, the temperature is relatively low, so it is not easy to scaling in the evaporator.
G. It can be quipped with CIP System, it is easy to clean all the equipment and ensure no dead angle
H. It is equipped with PLC, With a complete configuration, operation, monitoring and control function. The system includes communication interface, display alarms, print reports, control section, to achieve automatic control of feeding quantity, the heating temperature, the feeding & discharging concentration & cleaning of equipment.
Production Qualitification
1). Our company was established in the 1950s, designed and manufactured the first stainless steel distillation column in China.
2).Our company can produce 6 full sets of equipment (including crushing section, liquefying and saccharification section, fermentation section, distillation section and DDGS section) in a month.
3).Among 16 production workshops, 3 workshops are for mechanic manufacture, 5 workshops are for manufacturing process, 8 workshops are for assembling & welding.
4).We own advanced machining equipment and product testing equipment.
Designed capability
1). We own Design License of Special Equipment D1 & D2 Class; Manufacture License of Special Equipment A2 Class; Design License of Special Equipment GC Class.
2). Our company achieves more than 20 patent certificates on distillation, DDGS, and other fields.
3). Our company owns ASME certification, ISO 9001 Quality System Certification, ISO 14001 Environmental Management System Certification & GB/T28001 Occupational Health and Safety Management System Certification.


Advanced Lab Testing

1). Our company can provide a sophisticated product after-sale service and can ensure the implementation, maintenance and commission of projects.
2). We can reach the project site after receiving the user’s notification.


Contact us

Any question, feel free to contact us!
China