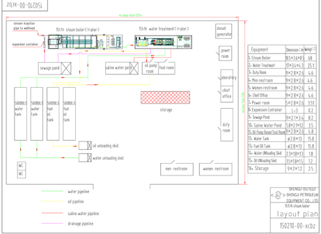
Oilfield oil gas fired steam boiler
Shengji Group manufactures oilfield steam boilers conforming to the national manufacturing criteria for pressure vessel (I, II and III). Since 1986, the company has accumulated over 30 years of experience in designing and manufacturing equipment in oil and gas industry. These oilfield steam boilers are ASME compliant. The oilfield steam boilers are 3 main sections: convention, transition and radiation sections. Our boilers can provide a high dryness (above 85%) steam and a thermal efficiency above 90%. Shengji boilers have both anti-scale and remote monitoring when unattended functions. Moreover, these boilers have energy saving and environmental protection features alongside sewage water treatment and reinjection. These explain why our boilers have dominated Shengli Oilfield. We export the boilers abroad to countries like Canada, the United States, Russia, Venezuela, and other countries, which are praised for their exemplary performance by end users.
1.High dryness (above 85%).
2. High Thermal efficiency (above 90%).
3. Anti-scale.
4. Remote monitoring & Unattended.
5.Energy saving & Environmental protection.
6.Sewage water treatment & Reinjection

| Rated Evaporation Capacity (t/h) | Working Pressure (Mpa) | Steam Temperature (℃) | Steam Dryness (%) | Heat Efficiency (%) | Combustion Method | Transportation Mode |
Sub Critical | 5-50 | 15 17.2 21 | 342-370 | 85 | ≥90 | Crude Oil Diesel Gas | Trailer or Skid mounted |
Super Critical | 6.5-40 | ≤26 | 390 | 100 | ≥90 | Crude Oil Diesel Gas | Trailer or Skid mounted |




SHENGJI GROUP (formerly known as General Machinery Plant,SINOPEC) established in 1964 and restructured in 2007, covers an area of 158 acres, 1500 employees,1200 advanced equipment, annual revenue $150 milliion. SJ has 18 production plants, 8 subsidiaries and several offices around the main oilfield in the world.The group owns high level R & D center and National Laboratories carrying out strategic cooperation with China University of Petroleum and other several scientific research institutes of SINOPEC. SJ has obtained more than 150 national patents.The products have been exported to U.S.A, Canada, Peru, Ecuador, Venezuela, India, Saudi Arabia, Oman, Bahrain, Iran,Turkmenistan,Kazakhstan,Russia,Sudan,etc.Shengji is Sinopec, CNPC, CNOOC, Shell, Chevron, GE, Schlumberger, Haliburton, Weatherford excellent supplier.


Oilfield oil gas fired steam boiler Oilfield oil gas fired steam boiler Oilfield oil gas fired steam boiler
China