Drinking Water Treatment Equipment
Treatment for drinking water production involves the removal of contaminants which is disease-causing agents from raw water to produce water that is pure enough for human healthy.
Substances that are removed during the process of drinking water treatment include suspended solids, bacteria, algae, viruses, fungi, and minerals such as iron and manganese.
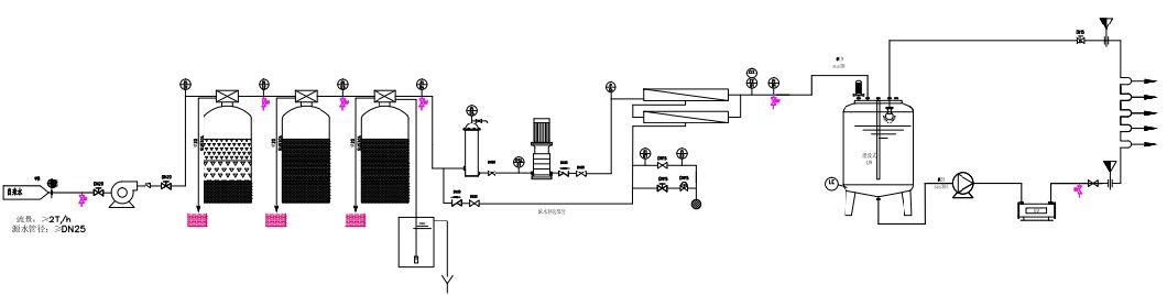
Flow Chart

Raw water tank -- Raw water pump -- Sand filter - Carbon filter -- Sodium ion exchanger
-- Precsion filter -- Reverse Osmos--Pure Water Tank ----UV sterilizer/Ozone sterilizer
-- Water use point

| Technology | UF,RO,EDI/Mixed bed,DI |
| Control system | PLC auto &manual control |
| Material | Stainless steel/Carbon steel/FRP/PVDF etc |
| Ro membrane | DOW membrane USA original |
| Voltage | 220V / 380V (for selection) |
| Standard reach | CE/NCCLS/ASTM GMP,FDA |
| After sales service | Engineers Available To Service Machinery Overseas |
| Application | Laboratory, Pharmaceutical, Drinking, Aquarium,Industrial water treatment system etc |
| Warranty | 1 year for the whole equipment(except consumable part) |

Applications:
Food&Beverage,School,Hospital,Jail,Government dept.,Public park etc
To Our Dear Customers:
It's nice to see you.
For over 10 years of exertion and innovation of water treatment technology.Sinou providing professional pure & ultrapure water system solutions to make it more acceptable for different specific end-use.
Certificates :ISO9001:2015,ISO14001:2015,ISO13485:2003,OHSAS
28001:2007. meet CE ,GMP,FDA requirement.
Quality Control:100% inspect & operated before shipment.
Applications:drinking,food&beverage,aquarium,pharmaceutical,semiconductor, chemical,automotive,electronics,nanotechnology &medical device markets etc.
Guarantee Period:One whole year.(except consumption parts)
Installation:Both overseas installation or technical guidance are available.
Thanks for your attention to Sinou.
Best regards.
Chenny
Export sales manager
China