Introduction of fermentation tank
The fermentation is made stainless steel 304 or ss316l , it is composed of the tank top ,tank bottom ,jacket ,insulation cladding ,top entry agitator ,legs etc . Usually the fermentation can be used for beer fermentation ,wine fermentation , yogurt fermentation ,
bio fermentation and so on
Overpressure setting mechanism from 0 to 3 bar (over-pressure tanks with the maturation bottling function)
Cooling channels - duplicators for circulating of coolant
Guaranteed inner surface roughness of Ra = 0.8 microns (SQ) or Ra < 0.8 microns (HQ) - except in very small containers and terminating welds on intermediate vessels
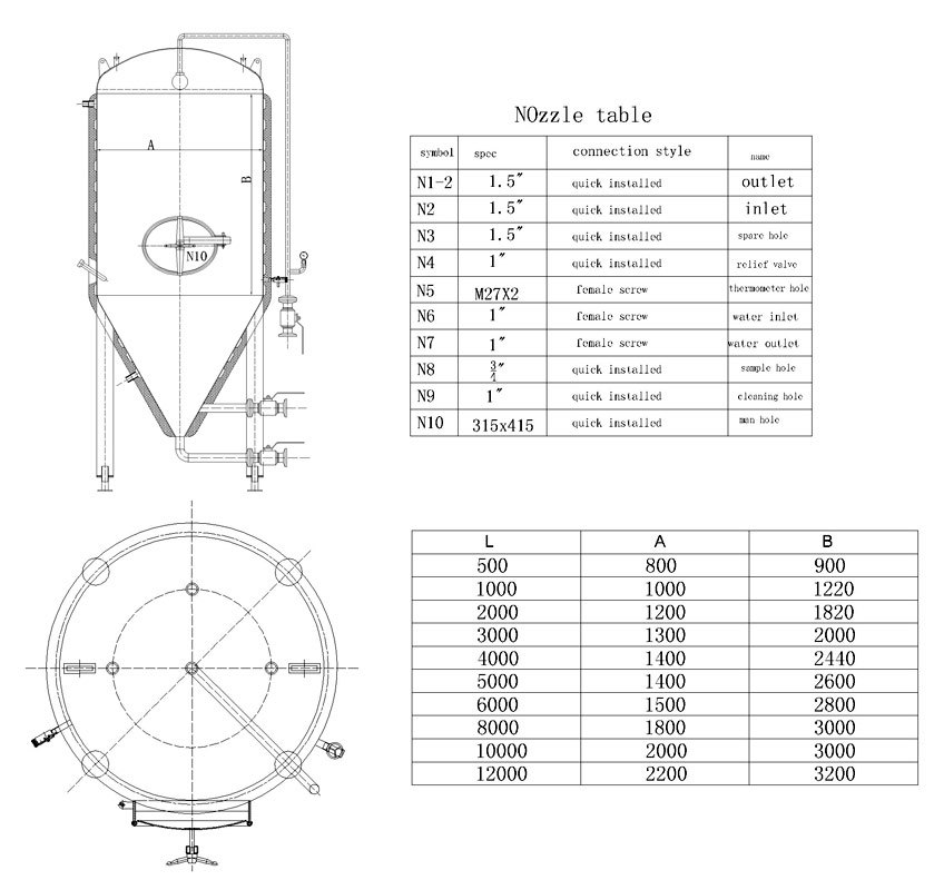
Manhole on the top cone or on cylinder part (according to customer requirements)
Outlet / inlet for beer or cider
Outlet / inlet for dosing and discharge of yeast
Sanitation shower - sprayball (static or rotary) - one or more pcs
Cleanable and sanitizable sampling cock
Double-acting air vent valve
Independent safety overpressure valve
Thermometer pocket
Parameters of 500l 1000 gallon industrial stainless steel vinegar wine bright the price conical beer fermentation fermenter tank for sale
| Tank Material | Sanitary stainless steel 304 |
| Tank thickness | inner tank-3-4mm, jacket-1.5-2mm,cladding-1.5-2mm |
| Agitator: | Raking system conneted into a top reducer |
| Bottom head type | Saccharifing Units--- Flat bottom or 120º~185º cone |
| Fermention tank---- Conical degree 60-75°c | |
| Jacket type | Dimple jacket on the cylinder and cone parts |
| External surface | Stainless steel 2B board/Mirro polish/Matt wiredrawing processing, |
| Thickness=2mm,if need,could choose copper for outside |



Our factory

Certification
China