Manufacturer Price Basket Type Filter Housing
Shell inner and outer surface all used mirror polished, ensure that the material liquid contact surface Ra reached 0.6μm close to the sanitary requirement.
Filter shell can use Eyebolt connection or quick-open connection, which is convenient for operation and economical and practical.
Surface
| Treatment Type | Mechanical polishing, electrolytic polishing, sand blasting, picking |
| Polishing precision | Mirror Polish Ra≤0.4μm |
Operating Conditions
| Max Operating pressure | 0.6MPa, 1.0MPa |
| Max Operating Temp | 140ºC |
Connection
| Shell connection | Flange (Eyebolt) |
| In-outlet N1, N2 | Flange, thread, Tri-clamp |
| Vent valve N3(optional) | 3/4'' male thread |
| Drain valve N4(optional) | 1'' male thread |
| Dimension Parameters | 1 basket | |
| In-outlet 2'' | In=outlet 3'' | |
| A: Total height (excluding filter cover) | 500 | 580 |
| B: The distance from inlet to center | 230 | |
| C: Diameter | Ф6'' | |
| D: The height from in-outlet N1, N2 to ground | 300 | 360 |
| E: Drain port N4 height from the ground | 60 |
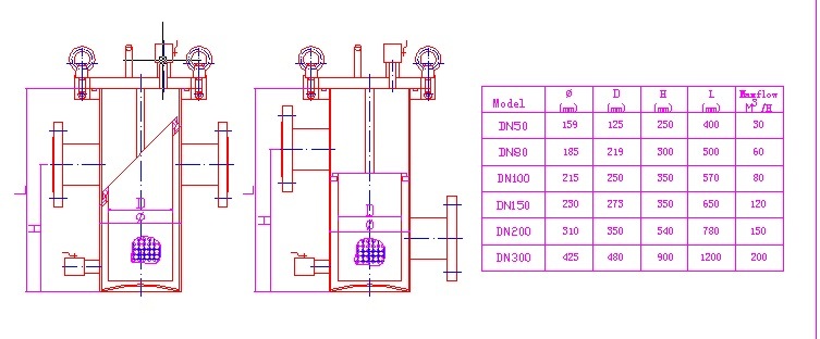
The above-mentioned data is the standard, it can customize according to customer's requirements.

Company Show

Related Product
China