Features:
1. 4~20mADC, 1~5VDC output optional
2. Reliable
3. Piezoresistve
4. IP65
5. Gauge, absolute, sealed gauge
6. ATEX approved

1. Intrinsic safe
2. EXD
3. CE
4. RoHS
Application:
1. Petroleum
2. Chemical
3. Power plant
4. Hydrology
Construction material:
1. Housing: stainless steel 1Cr18Ni9Ti
2. Sensor housing: stainless steel 1Cr18Ni9Ti
3. Diaphragm: stainless steel 316L
4. Sealed-ring: Viton
5. Plug housing: plastic
6. Cable: Φ7.5mm Polyethylene Special Cable:
Specification:
| Pressure range | -0.10~0.01100MPa |
| Overpressure | 1.5 times FS or 110MPa (min. value is valid) |
| Pressure type | gauge/ absolute / sealed gauge |
| Process connection | M20×1.5 male waterline seal (or on your demand) |
| Accuracy | 0.5%FS |
| Long term stability | max. ±0.3%FS/year |
| Zero thermal drift | 0.1%FS/ºC(≤100kPa);0.05%FS/ºC(>100kPa) |
| Span thermal drift | 0.1%FS/ºC(≤100kPa);0.05%FS/ºC(<100kPa) |
| Compensation temp. | 0~50ºC |
| Application temp. | -30~80ºC, intrinsic safe version: -10~60ºC , EXD: -20~60ºC |
| Storage temp. | -40~120ºC |
| Power supply | 11~28VDC,intrinsic safe version supplied by safe barrier |
| Output signal | 4~20mADC(2-wire), 0/1~5VDC(3-wire) |
| Load | ≤(U-10)/0.02Ω(2-wire), ≥10k(3-wire) |
| Housing protection | IP65 |
| Electric connection | DIN43650 plug |
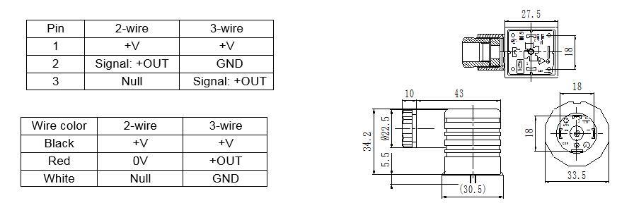
Outline Construction:

Electric Connection:

Order Information
| MPM489 | Pressure Transmitter | |||||||||||
| | Range | Pressure range: -0.10~0.01100MPa | ||||||||||
| [0~X]kPa or MPa | X:the actual measured pressure | |||||||||||
| Code | Output signal | |||||||||||
| E | 4~20mADC | |||||||||||
| F | 1~5VDC | |||||||||||
| J | 0~5VDC | |||||||||||
| Code | Construction material | |||||||||||
| Diaphragm | Pressure port | Housing | ||||||||||
| 22 | SS 316L | SS | SS | |||||||||
| 24 | SS 316L | SS 316L | SS 316L | |||||||||
| 25 | Tantalum | SS | SS | |||||||||
| 35 | Tantalum | Hastelloy | SS | |||||||||
| | Code | Others | ||||||||||
| B1 | Plug connection | |||||||||||
| B2 | Cable connection | |||||||||||
| PC1 | Flush diaphragm, M20×1.5 male | |||||||||||
| PC3 | Flush diaphragm, G1/2 male | |||||||||||
| M3 | 3 1/2 digits LCD digital indicator | |||||||||||
| M4 | 3 1/2 digits LED digital indicator | |||||||||||
| i | Intrinsic safe version: ExiaIICT6 | |||||||||||
| T | Ship-use | |||||||||||
| d | ExdIICT6 | |||||||||||
| C1 | M20×1.5 male, face type seal | |||||||||||
| C3 | G1/2 male (used for flush diaphragm type) | |||||||||||
| C5 | M20×1.5 male, waterline seal | |||||||||||
| G | Gauge | |||||||||||
| S | Sealed gauge | |||||||||||
| A | Absolute | |||||||||||
| MPM489 [0~100kPa] E 22 B1C5G the whole spec | ||||||||||||
FAQ:
1. Q: Are you manufacturer or trading company?
A: We are 48-year professional manufacturer of Pressure/ Level/ Temperature/Flow transmitters with 4~20mA, Hart, Rs485 & Modbus protocols, pressure sensors with SDI, I2C, 4~20mA, 0.5~4.5V and etc, and wireless IOT measurement transmitters. We provide high quality products with high competitive factory price.
2. Q: What's your quality control system?
A: As an ISO9001:2008 certificated manufacturer, we have strict quality control system, and each product is done fatigue testing, calibration, temperature compensation before shipment. High quality is guaranteed.
3. Q: Is there MOQ with your product?
A: We have no MOQ limits, 1pc for testing is acceptable.
4. Q: Do you provide customized products?
A: Yes, we can print your logo on our products; OEM, ODM & customization are welcomed.
5. Q: What is the warranty of your products? And after-sales service?
A: Our warranty time is 12 months after shipment, and our after-sales will respond with your questions in 24hrs, remote instruction by PC network is always available.
6. Q: What is lead time of your product?
A: We are factory, our lead time is always within 10~15 working days for products without customization, but lead time will vary based on different products. You can check detail lead time with our sales.
7. Q: What international certificates do you have for your products?
A: we have CE, RoHS, UL, ATEX as well as ship-use DNV etc.
China