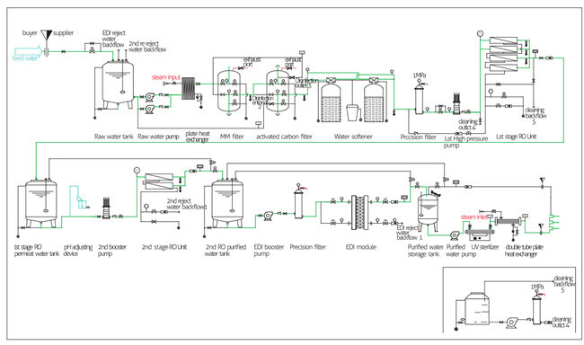
Flowchart(Outlet Water:18.25M):For Selection
Raw water tank -- Raw water pump -- Sand filter - Carbon filter(pasteurization )-- Sodium ion exchanger -- Precsion filter --1st Reverse Osmosis ----Ph Meter---2nd Reverse Osmosis----EDI---Ultra Pure Water Tank---Mixed Bed---UV Sterilizer-Tansfer pump---Water Use Points
Flowchart(Water Use points:18.25M):For Selection
Raw water tank -- Raw water pump -- Sand filter - Carbon filter (pasteurization )---- Sodium ion exchanger -- Precsion filter --1st Reverse Osmosis ----Ph Meter---2nd Reverse Osmosis----EDI---Ultra Pure Water Tank(Nitrogen sealed)---Mixed Bed---UV Sterilizer-Tansfer pump---Water Use Points

Network Of Pipes



| Technology | UF,RO,EDI/.Mixed bed. DI |
| Control system | PLC auto &manual control |
| Material | Stainless steel/Carbon steel/FRP/PVDF etc |
| Ro membrane | DOW membrane USA original |
| Voltage | 220V / 380V (for selection) |
| Standard reach | CE/NCCLS/ASTM GMP,FDA |
| After sales service | Engineers Available To Service Machinery Overseas |
| Application | Laboratory, Pharmaceutical, Drinking, Aquarium,Industrial water treatment system etc |
| Warranty | 1 year for the whole equipment(except consumable part) |
Appilications:
Pharmaceuticals,IVD Reagents etc.
To Our Dear Customers:
It's nice to see you.
For over 10 years of exertion and innovation of water treatment technology.Sinou providing professional pure & ultrapure water system solutions to make it more acceptable for different specific end-use.
Certificates :ISO9001:2015,ISO14001:2015,ISO13485:2003,OHSAS
28001:2007. meet CE ,GMP,FDA requirement.
Quality Control:100% inspect & operated before shipment.
Applications:drinking,food&beverage,aquarium,pharmaceutical,semiconductor, chemical,automotive,electronics,nanotechnology &medical device markets etc.
Guarantee Period:One whole year.(except consumption parts)
Installation:Both overseas installation or technical guidance are available.
Thanks for your attention to Sinou.
Best regards.
Chenny
Export sales manager
China