Pgz800 Vertical Automatic Bottom Discharge Centrifuge for Chemical

Name:PGZ/SGZ vertical automatic bottom dischargeOther Name:Automatic Bottom Discharge CentrifugeSelling Point:High production efficiency,low labor intensity, stable running, good operating conditions and etc.Simple Description: Automatic operation, c

Technical Feature

  • Shanghai, China
  • 1000/Year
  • T/T, Western Union
  • Centrifuge
  • Pharmaceutical,Chemial
  • Filter Type
Send Standard Inquiry Add Inquiry List

0 Add Favorite

$23~30

PRIMARY PARAMETERS

Model NO.
PGZ800
Condition
New
Trademark
Huaxiang
Transport Package
Wooden Case
Specification
1800x1300x1800
Origin
China
HS Code
842119100

DETAIL DESCRIPTION

Name:PGZ/SGZ vertical automatic bottom discharge
Other Name:Automatic Bottom Discharge Centrifuge
Selling Point:High production efficiency,low labor intensity, stable running, good operating conditions and etc.
Simple Description:
  1. Automatic operation, continuous operation
  2. Excellent dehydrating performance
  3. Low power consumption, high handling capacity
  4. Small machine with compact design
  5. Stable running even when the flow changes
  6. Suits for various kinds of materials
Detailed Description:
Properties and uses:
  1. PGZ centrifuges have a perfect automatic performance and a large processing capacity. In accordance with users' demand, procedures such as feeding, separating, washing, dehydrating and discharging can all be automatically finished followed by remote control. It's suitable for solid-liquid separation of fibroid products as well as suspension which contains fine grains and medium size grains solid.
Operating principle
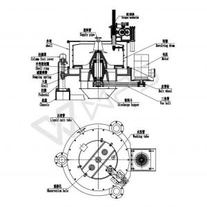
  1.  The automatic bottom discharge scraper centrifuge is vertical fully-automatic filtration centrifuge. The motor drives the drum to rotate at high speed through the belt, and under the control of pre-written program, the material to be separated is fed into the drum through the feed system. After the material is filtered through the filtration medium ( filter cloth/screen) under the action of centrifugal force, the liquid phase discharges out of the centrifuge through the liquid pipeline, and the solid phase is retained in the drum. A material detection device is used to detected material filling position in real-time manner, and when the solid cake deposited in the basket reaches the specified holding capacity of the centrifuge, feeding stops. Then wash and dry the solid cake. After the solid cake meets requirements for knock-out, the centrifuge reduces to the scraping rate, under the hydraulic control, the scraper device removes the solid cake, and then the cake discharged at the bottom outlet of the centrifugal. Once the materials to be separated enter the fast-spinning basket, it will be filtrated by the filter liner under the centrifugal force.The liquid flows out through the liquid outlet, but solids deposit on the internal wall of the basket. Once the solid cake reaches the rate capacity, feeding stops. Wash the solids cake,and then drain out the washing water. Finally stop the machine. The solid cake is discharged manually and move to next batch.
Main Characteristics
  1. Platform base structure could lower the center of gravity and stabilize the machine. No foundation construction makes convenient installation and repairing.
  2. Platform base with liquid damping isolators:Applying the liquid damping technique improves performance of vibration absorption in centrifuge.
  3. Inclined feed disk:we discarded the central feed or side feed method.
  4. Air recoil and pneumatic auxiliary scraper:this technology effectively reduces the solids remained in the basket and effective resume the performance of the filter cloths.
  5. Nitrogen protection system:ensuring the safety during the operation.
  6. Big hinged cover and CIP system, which avoiding cross contamination against the products.
  7. Multiple safety protection devices: over-vibration protection,over-current protection, thermal control protection, cake layer controller, protection for scraper movement, protection when open the cover,various signs and warning identifications.
  8. PLC control, touch screen, inverter control, dynamic braking, feedback braking, self-diagnosis of equipment fault, automatic control panel and DCS control interface.
  9. Polished internal/external surfaces with roughness up to Ra0.2~0.4μm, complying with the related requirements of cGMP.
Special Allocation
  1. Cleaning and spraying system
  2. Nitrogen protection system
  3. RF admittance material process control
  4. PLC program control
  5. Hydraulic action system
  6. Gas auxiliary scraper
  7. No basic form(equipped with vibration isolation chassis +vibration damper).
  8. The corresponding stainless steel(SUS304,321,316L,or titanium) is adopted according to anticorrosive requirements for users' materials to be separated.
Product Parameter:
ItemModels
PGZ800PGZ1000PGZ1200/1250PGZ1500
Drum Diameter (mm)80010001200/12501500
Drum volume (L)100140280500
Loading limit(kg)140200380680
Drum speed(r/min)12001000900850
Separation factor645560567530
Motor power(kw)7.51118.530
Overall Weight2500400050005500
Physical size(mm)1800x1300x18002100x1500x20202300x1800x21502880x2180x2575




 

Send Consultations Sending PUBLIC question and getting response from the supplier

Send Only your public informations will be shown

All Consultations

Products From Supplier

Lw Decanter Centrifuge

Product Name: LW Decanter Centrifuge Client Field: Industrial and municipal wastewater treatmentOil & gas drilling mud/fluid controlWashing, classification and dewatering of amylum and starchMycelium separation from zymotic fluid and antibiotic Dewa

Paut1600 Automatic Top-Suspeneded Scraper Bottom Discharge Centrifuge for Chemical

Name: PAUT Automatic  top-suspeneded scraper bottom discharge centrifugeStandard Manufacturing features:structure: The housing is equipped with the feeding pipe, washing pipe, sight glass, exhaust port, manhole, and lighting hole. The closed struct

Gk1250 Horizontal Scraper Discharge Centrifuge for Pharmacy

Name:GK horizontal scraper discharge centrifuge Other Names:GK centrifugeSelling Point:automatic operation; stable running; convenient operation and maintenance; high product output;Simple Description: a horizontal filtering centrifuge with automati

Paut Automatic Top-Suspeneded Scraper Bottom Discharge Intermittent Centrifuge

Name: PAUT Automatic  top-suspeneded scraper bottom discharge centrifugeStandard Manufacturing features:structure: The housing is equipped with the feeding pipe, washing pipe, sight glass, exhaust port, manhole, and lighting hole. The closed struct

Psb1250 Top Manual Discharge Centrifuge for Pharmacy

Name:PSB top discharge centrifugeOther Names:manual top discharge centrifugeSelling point:simple structure, convenient operation, anti-explosion, clean environment, wide range  of applicationSimple Instruction:  Vertical top discharge (direct coupl