Paut1600 Automatic Top-Suspeneded Scraper Bottom Discharge Centrifuge for Pharmacy

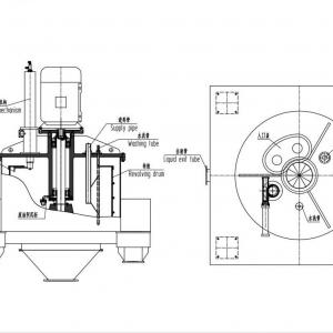
Name: PAUT Automatic  top-suspeneded scraper bottom discharge centrifugeStandard Manufacturing features:structure: The housing is equipped with the feeding pipe, washing pipe, sight glass, exhaust port, manhole, and lighting hole. The closed struct

Technical Feature

  • Shanghai, China
  • 300/Year
  • T/T, Western Union
  • Centrifuge
  • Pharmaceutical,Chemical
  • Filter Type
Send Standard Inquiry Add Inquiry List

0 Add Favorite

$40~50

PRIMARY PARAMETERS

Model NO.
PAUT1600
Pressure
Low Pressure
Condition
New
Trademark
Huaxiang
Transport Package
Wooden Case
Specification
2600X2600X3100
Origin
China
HS Code
8421199090

DETAIL DESCRIPTION

Name: PAUT Automatic  top-suspeneded scraper bottom discharge centrifuge


Standard Manufacturing features:

structure: The housing is equipped with the feeding pipe, washing pipe, sight glass, exhaust port, manhole, and lighting hole. The closed structure, drum,housing and cover are made by stainless steel. The machine base ( flat) is coated by stainless steel. The interior and exterior surfaces of drum and housing, and the exposed parts are all subjected to polishing mirror treatment. 

Major features:

1.Platform base with liquid damping shock absorption: platform base structure could lower the center of gravity and stabilize the machine making operation convenient. Applying the liquid damping technique improves performance of shock absorption in centrifuge, and also making installation and repairs convenient. 

2.adopts PLC control, program setting, unattened automatic operation, and whole self monitor of feeding, primary filtering, washing, fine filtering and discharging. 

3.Variaale frequency speed control, stable starting, adjustable separation coefficient. 

4. The motor adopts top mounted direct coupling type, avoiding friction and dust brough by driving;

5.High capacity, high output, and enhanced production efficienty;

6.Dynamic braking, non-touch braking mode, no friction and dust pollution;

7. Fully closed structure, the seal is made of sillicone rubber or fluorine rubber. The centrifuge cavity is provided with nitrogen protection to meet the requirements of sealing and anti-explostion;

8.Reasonable sturctue design. The CIP cleaning system( spraying system) ensures the requirments for cleanliness and conforms to the GMP standard;

9.The hydraulic action system which is clean and sanitary can be adopted;

10. The optional gas-assisted scraper ensures no residual material in the drum after discharging;

11. Safety protection: rotation speed detection, over-vibration protection, open case protection, moter overloaded protection and overheat protection, scraper turning and lifting machinery electric dual-control, linked to locking of scraper and drum.

 
ItemModelPAUT1250NPAUT1500NPAUT1600N
Drum Diameter (mm) 125015001600
Drum Volume (L) 450580880
Loading Limit (kg) 6107201180
Drum Rotation Speed (r/m) 970850750
Separation Factor (ω²r/g) 658605504
Motor Power (kw) 303745
Machine Weight (kg) 9000850013000

Overall Dimension (LxWxH)

 2200X2200X24802500X2500X26502600X2600X3100

Send Consultations Sending PUBLIC question and getting response from the supplier

Send Only your public informations will be shown

All Consultations

Products From Supplier

Lw Decanter Centrifuge

Product Name: LW Decanter Centrifuge Client Field: Industrial and municipal wastewater treatmentOil & gas drilling mud/fluid controlWashing, classification and dewatering of amylum and starchMycelium separation from zymotic fluid and antibiotic Dewa

Paut1600 Automatic Top-Suspeneded Scraper Bottom Discharge Centrifuge for Chemical

Name: PAUT Automatic  top-suspeneded scraper bottom discharge centrifugeStandard Manufacturing features:structure: The housing is equipped with the feeding pipe, washing pipe, sight glass, exhaust port, manhole, and lighting hole. The closed struct

Gk1250 Horizontal Scraper Discharge Centrifuge for Pharmacy

Name:GK horizontal scraper discharge centrifuge Other Names:GK centrifugeSelling Point:automatic operation; stable running; convenient operation and maintenance; high product output;Simple Description: a horizontal filtering centrifuge with automati

Paut Automatic Top-Suspeneded Scraper Bottom Discharge Intermittent Centrifuge

Name: PAUT Automatic  top-suspeneded scraper bottom discharge centrifugeStandard Manufacturing features:structure: The housing is equipped with the feeding pipe, washing pipe, sight glass, exhaust port, manhole, and lighting hole. The closed struct

Psb1250 Top Manual Discharge Centrifuge for Pharmacy

Name:PSB top discharge centrifugeOther Names:manual top discharge centrifugeSelling point:simple structure, convenient operation, anti-explosion, clean environment, wide range  of applicationSimple Instruction:  Vertical top discharge (direct coupl