
MAIN FEATURES
Automatic frequency converter to control speed.
It has all advantages of common vertical scraper down discharging centrifuge.
Full-automatic operation for hanging bag falling off and reset.
The filter bag can move up and down inside the drum to produce oscillation effect and remove the remnant filter cake throughly.
Big clamshell or shell whole reversible type are achievable according to users' demands.
High-tech product certificate

Certificate of national patent of invention

WORKING PRINCIPLE
During the process of discharging, the scraper acts, under the impact of which most material are discharged through the blanking hole on the bottom of drum to the outside. The remnant material layer will generate oscillation effect by the influence of automatic hanging bag mechanism inside the drum and then the remnant material layer will be removed.

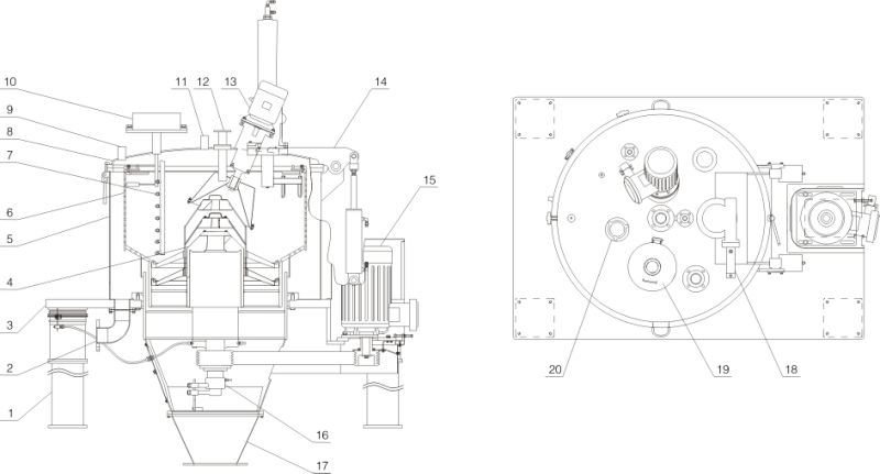
1. Vibration absorber
2. Mother liquid outlet
3. Machine base
4. Spindle part
5. Housing
6. Bowl part
7. Washing pipe
8. Machine cover
9. Oxygen connection pipe
10. Level detector
11. Nitrogen pipe
12. Feeding pipe
13. Rotary distributor
14. Flap turning device
15. Motor part
16. Pneumatic device
17. Discharging outlet
18. Scraper device
19. Hand-hole and sight glass
20. Inspection hole lamp

PLQ SCRAPER LOWER DISCHARGE AUTOMATIC CENTRIFUGE
EXPLOSION-PROOF WORKING PRINCIPLE
The explosion-proof bag pulling centrifuge is manufactured according to the explosion-proof standard. Before the centrifuge is started, high flow nitrogen replacement is carried out. The gas inside the centrifuge is ensured to be insert through adopting oxygen content detection, pressure test and other ways, so as to meet the centrifuge running requirements. After the equipment runs, the oxygen content is monitored in a dynamic manner and high flow nitrogen replacement or low flow low pressure nitrogen supplying is carried out, so as to ensure that the equipment meets the explosion-proof running requirements.
China