UPB2S is a high quality sanitary pressure transmitter with complete flush diaphragm. By means of welding
method, the isolated diaphragm of the transmitter is welded on the front end of process interface.UPB2S has
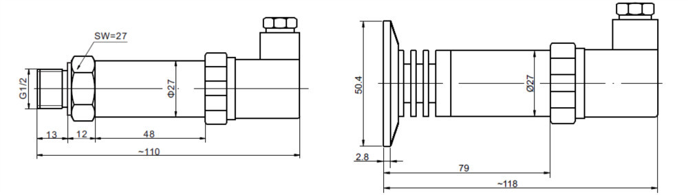
clamping type, M21×1.5 thread type, and flange type for options. Its output signal can be made standard voltage
output signal, or, current output signal, or frequency output signal.
This product is made with flush membrane structure, UPB2S have good ability on preventing fouling, crystallization and jamming of thick liquids.
UPB2S is widely used in food, medicine, health and wine industry etc.
* Pressure ranges:0~0.4...100bar
* Flush membrane structure without input pressure hole & cavity
* High accuracy high strength, sanitary type, against fouling, dimensions can be customized.
* Has different output signals
* Pressure type: gauge pressure, absolute pressure, sealed gauge pressure
* The isolated diaphragm of the transmitter is welded
| pressure medium | gas or liquid compatible with stainless steel |
| pressure ranges | 0~0.4...100bar |
| overload pressure | 150%FS |
| output signal | 4~20mA, 0~5V, 0~10V, 1~5V |
| accuracy | 0.5%FS(standard) |
| load resistance | RL=(U-12V)/0.02A(4~20mA current output) U—loop voltage(V) |
| long-term stability | <0.2%FS/year |
| supply voltage | 12~36VDC |
| compensated temperature range | 0~70℃ |
| operating temperature range | -30~+85℃ |
| measured media temperature range | -40~+125℃ |
| temperature coefficient of zero | 0.3%FS/10℃ |
| temperature coefficient of span | 0.3%FS/10℃ |
| insulation resistance | 100MΩ@50VDC |
| process connection | 2" clamp, or others |
| electrical connection | hirschmann connector or others |
| material of wetted part | 316 stainless steel |
| material of pressure membrane | 316L stainless steel |
| material of housing | stainless steel or aluminium alloy |




2" Clamp mounting
complete flush diaphragm mounting, suitable for food, bervage or juice media measurement, easy cleaning.
Stainless steel construction
304SS housing and 316L diaphragm
Flexible electrical connection
Hirschmann connector, or cable, or connector for options.

gross weight: about 0.4kg/PC
box size: 15*10*6cm
Neutral pack


China