

description of micro air differential pressure gauge
The micro differential pressure gauge used to measure fan and blower pressure, filter resistance, wind speed, furnace pressure, orifice plate differential pressure, bubbles water level and liquid amplifier or hydraulic system pressure. It using frictionless magnetic components, can rapidly measure the micro-pressure air or non-corrosive gases, including positive, negative (vacuum) or differential.





| Item | micro air differential pressure gauge |
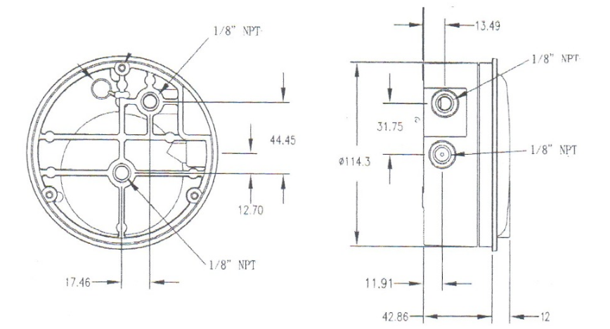
| Gauge Size | 4"dia. x 2-3/16"deep. |
| Accuracy | ±2% of Full scale ( ± 3% on 0,-100Pa,-125Pa,100mm and ± 4% on -00,-60pa,-6mm ranges) |
| Range available | -20 inHg to 15 psig, (-0.677 bar to 1.034 bar) |
| Over pressure | Relief Plug opens at approximately 25psig(1.72bar) standard gauges only |
| Temperature Limits | 20- 140 °F(-6.67 to 60°C) |
| Mounting Orientation | Diaphragm in vertical position , cousult factory for other position . |
| Process connection | 1/8”NPT ,dupliate high and low pressure taps –one pair side and one pair back . |
| Standard Gauge accessories | include two 1/8”male NPT plugs for duplicate pressure taps, two 1/8”male NPT pipe thread to Rubber tubing adapters, and three flush mounting adapters with screws. |
| Common Range | Customized Range | |||
| 0 – 30Pa | 0 – 400Pa | 0 – 2.5KPa | 0 – 30KPa | -1~0~1KPa |
| 0 – 60Pa | 0 – 500Pa | 0 – 3.0KPa | -15~0~15Pa | -2~0~2KPa |
| 0 – 100Pa | 0 – 600Pa | 0 – 5.0KPa | -30~0~30Pa | -3~0~3KPa |
| 0 – 125Pa | 0 – 750Pa | 0 – 8.0KPa | -60~0~60Pa | -4~0~4KPa |
| 0 – 200Pa | 0 – 800Pa | 0 – 10KPa | -125~0~125Pa | -5~0~5KPa |
| 0 – 250Pa | 0 – 1KPa | 0 – 15KPa | -250~0~250Pa | -10~0~10KPa |
| 0 – 300Pa | 0 – 2KPa | 0 – 25KPa | -500~0~500Pa |
fitting of air differential pressure gauge
1/8'' male NPT plugs for duplicate pressure taps 2pcs
1/8'' NPT male NPT pipe thread to rubber tubing adapters 2pcs
flush mounting adapters with screws 3pcs











China