LPG High Speed Centrifugal Spray Dryer
I. Description of LPG spray dryer:
LPG Centrifugal spray dryer is the widest used technology in the liquid shaping technology and in the drying industry. It is most suitable for producing powder, particle, or block solid products from materials of solution, emulsion, soliquoid and pumpable paste states. Therefore, when the particle size and distribution of the final products, their residual water contents, the stocking density and the particle shape meet the precision standards, the spray drying is one of the most desired technologies.
II. Features of LPG spray dryer:
1. High speed of drying. After the spraying of he material liquid, the surface area of the material will be increased greatly. In the hot-air flow, 95%-98% of water can be evaporated at a moment. The time of completing the drying needs only several seconds.
2. It is especially suitable for drying the heat sensitive materials. Its final products own the good uniformity, mobility, dissolving capacity. And the final products are high in purity and good in quality.
3. The production procedure is simple and the operational control is easy. The liquid with the moisture contents 40-60% (for special materials, the contents may reach 90%) can be dried into power or particle products once a time. After the drying, there is no need for smashing of sorting, so as to reduce the operation procedures in the production and enhance the purity. The product particle diameters, looseness and water contents can be adjusted through changing the operation condition in a certain scope. It is very convenient to carry out the control and management.



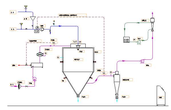
Product Detail
| Product Keywords | Sodium citrate centrifugal spray dryer |
Mainly used in Gum Arabic (Acacia gum),Brewery yeast,Pig blood plasma,Soya Protein powder,Skimmed milk powder,Herb powder,from Liquid to powder process.
CASE
PACKAGE:
All the machine for the spare parts are packed in 20GP, 40GP, 40HQ. Shipping to Shanghai seaport or CIF destination port.
DELIVERY TIME:
30-50 days after confirming order,detail delivery date should be decided according to production season and order quantity.

About us
Changzhou Lemar Drying Technology Co., Ltd is located in Zhenglu Industrial Park, Changzhou, Jiangsu,China. Our headquarters owns a 3000m2 composite comprehensive office building, including the following modern office element: coffee bar, VIP reception office, meeting center and central air conditioning system etc. For the 2 large-scale modern machinery heavy-duty manufacturing workshop which covers an area of 10000 square meters are equipped with sheet metal cold processing equipment, 200 sets of welding machine and other special processing machines. Lemar has abundant technical force: a number of top professional talent which have above 10 years professional experience in drying industry engaged in design, mechanical drawing, electrical automation edit etc. We actively participate in market competition. Welcome all the customers can guide and visit our factory in the future.
FAQ
i. Our company shall delegate one team consists of one chief installers and one or two assistants for supervising the installation on the Buyer’s written request.
ii. Our company shall delegate one processor (or/and one electrician) for the commissioning and instruction of the Buyer's personnel on the Buyer’s written request.
1. Engineers available to service machinery overseas (All counties)
2. Overseas service center available (some countries)
3. Overseas third-party support available (some countries)
WHY CHOOSE US
Our product
We supply drying, granulating, mixing, sieving equipments as well as heat generating equipments!
Technology
Our company undertakes large-scale drying technical engineering projects, design, manufacture and sale of drying equipments and industrial heat energy research.
Equipment
With world-class testing equipment, products reach the international advanced level.
Quality
We have passed ISO9001, ISO14001, AAA honorary title, Patent title and CE Certification.
Changzhou Lemar Drying Technology Co., Ltd
Add: Zhenglu Heping Industrial Park, Changzhou, Jiangsu,China
Tel: 0086-519-88968880, Fax: 0086-519-88968686
Contact people: Ms. Merry Miao
Mobile: 0086-13915098637/13801509632
Skype: merrymiao37
Whatsapp: 13915098637
Email: lemardry@hotmail.com
Website: Http://clemar.en.alibaba.com
Http://www.lemardrying.com
China